工作原理
PD系列安博(中国)是根据国家药品生产GMP规范之要求,根据国内客户之需求而设计的密闭操作、间歇工作式安博(中国)。物料从机盖上加料管加入,经转鼓高速回转进行分离,对物料进行洗涤,分离结束后,开启机盖(借助机盖平衡装置),将滤饼吊出机外设定地点卸料。
技术说明
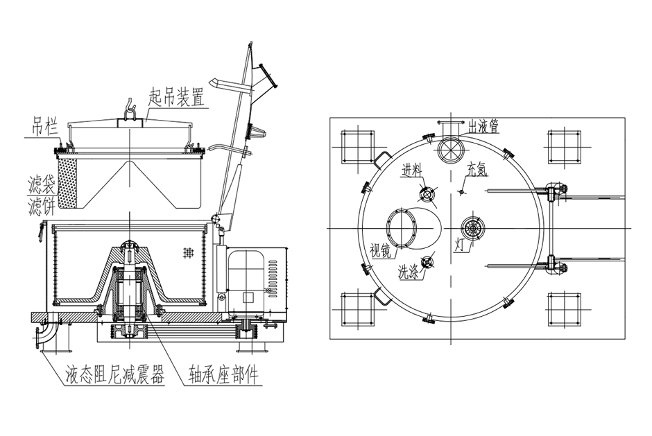
1.平板式结构,降低了设备重心,使设备运行更加平稳,同时平 板式便于维护及清洁。可设置在线清洗系统,可符合GMP及FDA标准。
2.变频启动,启动更平稳,转速可调。
3.大翻盖设计,平衡缸助力,开盖轻便省力。上盖设置,进料、水洗、视镜、防爆灯、充氮口。
4.布料方式选择:进料管进料(可设置分层进料),水洗管洗涤。
5.电机选用新型防爆节能电机,节能减排。
6.密闭式结构,有效密封设备腔体,改善周边环境,符合环保要求。密封件可采用硅胶、三元乙丙、氟橡胶、四氟等。
7.减震系统采用进口技术-液态阻尼减震器,有效吸收设备产生的震动,对基础和周边环境无影响。
8.吊袋式结构,降低卸料劳动强度,提高生产率。
9.安全保护:可设置开盖保护、过振动保护、氮气保护等。
详细结构图
主要技术参数
| 项目 ltems | PD800 | PD1000 | PD1200 | PD1250 | PD1250A | PD1500 | PD1800 |
|
转鼓直径(mm) Bowl Diameter |
800 | 1000 | 1200 | 1250 | 1250 | 1500 | 1800 |
|
转鼓高度(mm) Bowl Height |
400 | 420 | 500 | 500 | 600 | 700 | 750 |
|
转鼓转速(r/mm) Roration Rate of Bowl |
1200 | 1000 | 1000 | 1000 | 1000 | 850 | 720 |
|
分离因数 Separating Factor |
645 | 560 | 670 | 700 | 700 | 606 | 522 |
|
工作容积(L) Operational Capacity |
100 | 140 | 250 | 300 | 360 | 600 | 910 |
|
装料限度(KG) Max loading |
135 | 200 | 350 | 400 | 500 | 800 | 1100 |
|
电机功率(kw) Motot Power |
7.5 | 11 | 15 | 15 | 18.5 | 30 | 37 |
|
外形尺寸(长x宽x高)mm Overall Dimensions(LxWxH) |
1600x1150 x1190 |
2000x1500 x1240 |
2200x800 x1430 |
2200x1800 1430 |
2200x1800 x1500 |
2600x2200 x1700 |
3300x2600 x2000 |
|
重量(kg) Weight |
1500 | 2500 | 3500 | 4000 | 4500 | 7500 | 11000 |
|
开盖高度(mm) Opening height |
1940 | 2270 | 2570 | 2620 | 2700 | 3175 | 3850 |